

|
Temperaturbereich
|
-40℃~85℃
|
|
Bereich der relativen Luftfeuchtigkeit
|
5%~95%
|
|
Der Höhe
|
-500 m~﹢3000 m
|
|
Modell
|
ZGGS20-60f
|
|
|
Überspannungsableiter nach IEC 61643-11: 2011
|
Class II
|
|
|
Überspannungsableiter nach EN 61643-11: 2012
|
Type 2
|
|
|
Überspannungsableiter nach UL 1449
|
Type 4
|
|
|
Anzahl der Schnittstellen/Ports
|
1
|
|
|
Höchste Dauerspannung Uc
|
80 V DC
|
60 V AC
|
|
Nennableitstrom In (8/20 μs)
|
10 kA
|
|
|
Maximaler Entladestrom Imax (8/20 μs)
|
20 kA
|
|
|
Schutzniveau der Spannung Up
|
≤ 400 V
|
|
|
Zugangsmethode
|
PCB-Platine-On-Board-Parallelschaltung
|
|
|
Schutzmodus
|
+ — -, +/- —PE
|
|
|
Reaktionszeit tA
|
≤ 25 ns
|
|
|
Fernmeldekontaktbelastung
|
30 V DC, 0.1 A; 125 V AC, 1 A
|
|
|
Gehäuseschutzklasse (Code)
|
IP 20(Nach der Installation)
|
|
|
Anwendungsgebiet
|
Innenraum
|
|
|
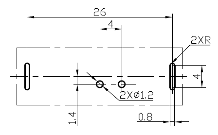
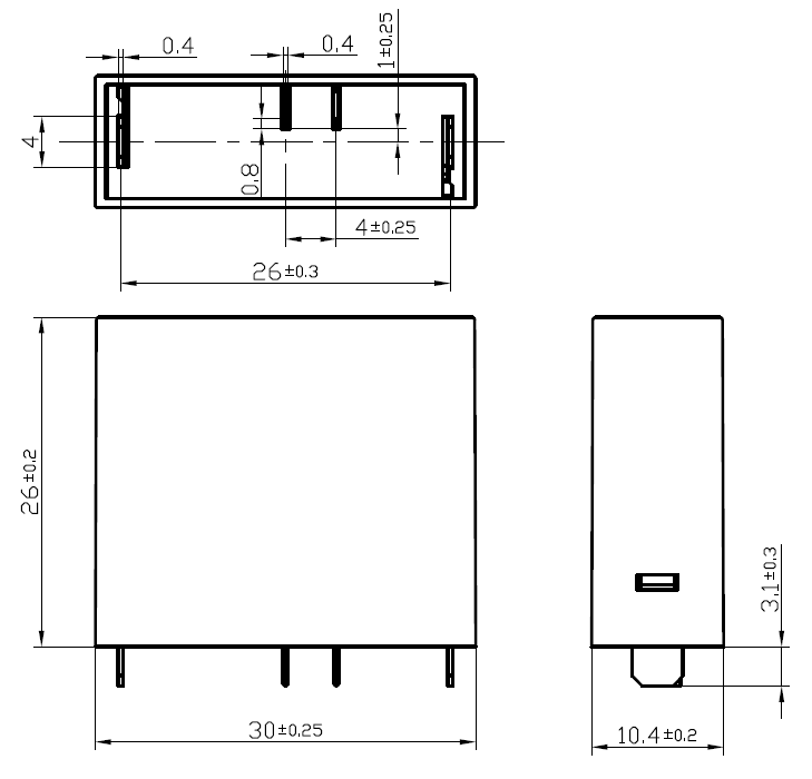
Abmessungen
|
30 mm×10.4 mm×26 mm
|
|
|
Feuerhemmungsgrad
|
UL94 V-0
|
|

