


Übersicht
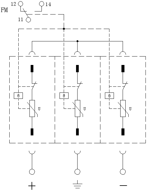
ZGG40-500(2+1)PV Parallel in einem Gleichstromversorgungssystem oder einer Photovoltaikanlage geschaltet, kann es als Schutzstufe Typ 2 für Wechselrichter in einem PV-Kraftwerk verwendet werden. Im Inneren dient ein Varistor als Schutzelement. Zusätzlich verfügt das System über eine Sicherheitstrenneinrichtung zum Schutz vor Überhitzung und Überstrom, um sicherzustellen, dass ein Gleichstromlichtbogen im Fehlerfall sicher gelöscht wird und Brände oder andere Unfälle vermieden werden. Wenn keine Überspannung auftritt, hat der Überspannungsableiter einen hohen Widerstand. Sobald ein Überspannungsstrom und eine Überspannung auftreten, reagiert der Überspannungsableiter innerhalb von ≤25 ns. Dabei nimmt der Widerstand kontinuierlich ab, wodurch die Spannung an den beiden Überspannungsableiter-Enden auf ein niedriges Niveau begrenzt wird. Dies dient dem Schutz vor Blitzüberspannungen (direktem Blitzeinschlag, induzierten Blitzüberspannungen usw.), Betriebsspannungen (Überspannungen, die durch Schaltvorgänge, Störungsanfänge, Unterbrechungen in elektrischen Anlagen entstehen) sowie vorübergehenden Überspannungen (Überspannungen, die durch Fehler, Schaltungen von Kondensatoren sowie Anhalten und Anfahren von Motoren im Niederspannungsversorgungsnetz verursacht werden).
Eigenschaften
1. Das Einsteckmodul verfügt über die Funktion für Verpolungsschutz.
2. Hohes Ableitvermögen und niedrige Restspannung und Hohe Sicherheit und Zuverlässigkeit.
3. Ausgestattet mit einem Überhitzungsschutz.
4. Verfügt über eine Fehleranzeige und einen zentralen Fernalarm-Trockenkontakt.
5. Das Gehäuse hat die Schutzart IP 20 und der Feuerhemmungsgrad gemäß UL 94 V-0.
Normen
EN 50539-11: 2013
Arbeitsumgebung
| Temperaturbereich |
-40℃~80℃ |
| Bereich der relativen Luftfeuchtigkeit |
5%~95% |
| Der Höhe |
-500 m~﹢4000 m |
Technische Spezifikationen
| Modell |
ZGG40-500(2+1)PV |
| Überspannungsableiter nach EN 50539-11: 2013 |
Type 2 |
| Modus des Überlastverhaltens |
Offener Schaltkreis |
| Höchste Dauerspannung Uc |
600 V DC |
| Nenn-Kurzschlussstrom ISCPV |
1 kA |
| Nennableitstrom In (8/20 μs) |
20 kA |
| Maximaler Entladestrom Imax (8/20 μs) |
40 kA |
| Schutzniveau der Spannung Up |
2.5 kV |
| Reststrom IPE |
DC: ≤ 20 μA; AC: ≤ 500 μA |
| Zugangsmethode |
Parallelschaltung |
| Schutzmodus |
+ — -, +/- —PE |
| Reaktionszeit tA |
≤ 25 ns |
| Querschnitt der Kupferleiter für die Anschlussklemmen |
Mehraderleitung: 1.5 mm2~25 mm2
Einaderleitung: 1.5 mm2~35 mm2 |
| Maximaler Anschlussquerschnitt der Fernalarmanbindung |
1.5 mm2 |
| Fernmeldekontaktbelastung |
AC: 250 V/0.5 A 125 V/1 A DC: 30 V/0.1 A |
| Drehmoment: Klemmen/Fernmeldeschnittstellen |
2.5 N•m /0.25 N•m |
| Gehäuseschutzklasse (Code) |
IP 20 |
| Anwendungssystem |
Photovoltaiksystem |
| Abmessungen |
90 mm×54 mm×67 mm (Ohne Fernmeldeterminals) |
| Montageart |
35 mm Standardprofil |
| Feuerhemmungsgrad |
UL94 V-0 |
Schaltschema
Externe Struktur