


|
Temperaturbereich |
-40℃~80℃ |
|
Bereich der relativen Luftfeuchtigkeit |
5%~95% |
|
Der Höhe |
-500 m~﹢4000 m |
|
Modell |
ZGGH10-24 |
|
Überspannungsableiter nach IEC 61643-1 |
Class Ⅱ, Class Ⅲ |
|
Überspannungsableiter nach EN 61643-11 |
Type 2, Type 3 |
|
Höchste Dauerspannung Uc |
+ — -: 45 V DC; - — PE: 0 V |
|
Nennableitstrom In (8/20 μs) |
5 kA |
|
Maximaler Entladestrom Imax (8/20 μs) |
100 kA |
|
Schutzniveau der Spannung Up |
+ — -: 280 V; - — PE: 800 V |
|
Verbundwelle Uoc |
10 kV |
|
Nennlaststrom IL |
25 A |
|
Maximaler Backup-Sicherung |
25 A gL/gG |
|
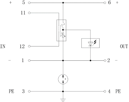
Zugangsmethode |
Reihenschaltung, Parallelschaltung |
|
Schutzmodus |
+ - - ; - - PE |
|
Reaktionszeit tA |
+ - -: ≤ 25 ns; - - PE: ≤ 100 ns |
|
Querschnitt der Kupferleiter für die Anschlussklemmen |
Mehraderleitung: 0.2 mm2~2.5 mm2 |
|
Maximaler Anschlussquerschnitt der Fernalarmanbindung |
2.5 mm2 |
|
Fernmeldekontaktbelastung |
AC: 250 V/0.75 A 125 V/3 A DC: 30 V/2 A |
|
Drehmoment: Klemmen/Fernmeldeschnittstellen |
0.5 N•m |
|
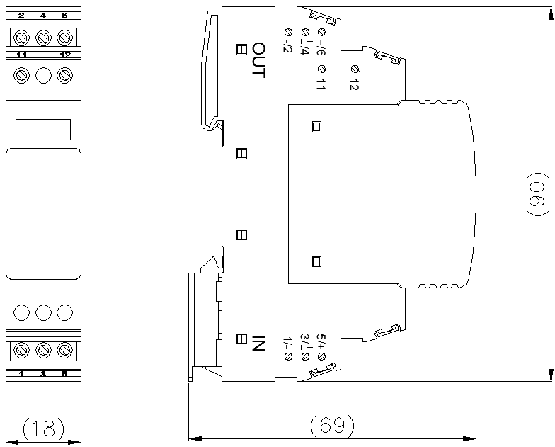
Gehäuseschutzklasse (Code) |
IP 20 |
|
Anwendungssystem |
Gleichstromsystem |
|
Abmessungen |
90 mm×18 mm×69 mm (Ohne Fernmeldeterminals) |
|
Montageart |
35 mm Standardprofil |
|
Feuerhemmungsgrad |
UL94 V-0 |
